首页应用应用列表AC/DC USB 快速充电

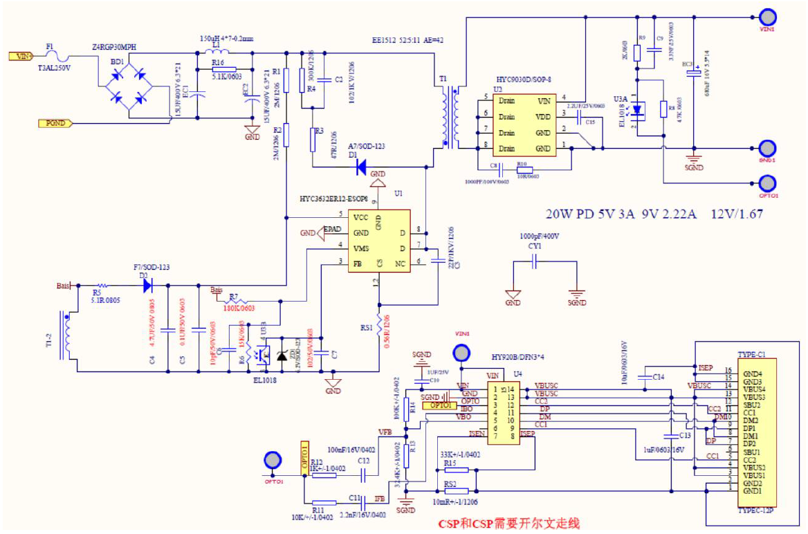
20 W PD 1C GaN 解决方案

20W PD 集成 GaN 方案,高度集成化设计,元件精简化布局。体积轻盈小巧,效率卓越不凡,性能稳定可靠,温升控制卓越,兼容性广泛优越,轻松满足多元充电需求。
应用详情
应用描述

初级变流器

HYC3632ER12C8-I

SR 变流器

HYC9030

协议芯片

HY920B

应用方案图
相关文档